⚠️ Правове повідомлення про авторські права ▼
Несанкціоноване використання, копіювання або розповсюдження інформації, зображень або посилань, що містяться на цьому сайті, є порушенням прав інтелектуальної власності і переслідуватиметься відповідно до Закону. У разі виявлення неналежного використання будь-якого посилання або даних нашого сайту буде негайно розпочато відповідні судові дії, а також надіслано повідомлення до Іспанського агентства із захисту даних у відповідних цілях.
Міні-екскаватор GARTO GAR-10 Дизельний двигун KOOP 10 к.с
- Експлуатаційна вага: 1000 кг
- Двигун: KOOP 192F Diesel (EURO5) | Потужність: 10 к.с. (7 кВт)
- Макс. глибина копання: 1750 мм
Міні-екскаватор GARTO GAR-10 Дизельний двигун KOOP 10 к.с
GARTO GAR-10 - це міні-екскаватор, спеціально розроблений для роботи у важкодоступних місцях або дуже обмеженому просторі. З вагою 880 кг і габаритною шириною 93 см ця машина дозволяє виконувати земляні роботи з чудовою маневреністю.
Вона оснащена одноциліндровим дизельним двигуном KOOP, який відповідає нормам викидів EURO5, забезпечує ефективність і спрощене технічне обслуговування завдяки системі примусового повітряного охолодження, яка усуває необхідність в додаткових контурах охолоджуючої рідини.
Ця модель оснащена професійними функціями безпеки та комфорту, такими як посилений дах, двопозиційний світлодіодний прожектор і повна панель приладів з вольтметром і лічильником мотогодин. Його конструкція забезпечує повний доступ до механіки, просто піднявши кришку двигуна, що полегшує щоденні перевірки.
Крім того, система Swing Boom та інтегрований бульдозерний відвал з висотою підйому 345 мм розширюють можливості копання траншей та вирівнювання нерівностей на нерівній місцевості.
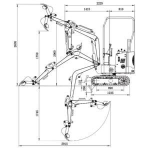
З максимальною глибиною копання 1750 мм і радіусом повороту платформи 784 мм, GAR-10 є ідеальним інструментом для монтажників, ландшафтних дизайнерів і будівельників, які шукають потужність і маневреність в компактному форматі.
Технічні характеристики
| Модель | GAR-10 | |
| Місткість ковша | 0,025 м³ / 120 кг | |
| Ширина ковша | 380 мм | |
| Основний двигун | KOOP 192F | |
| Додатковий двигун | Briggs & Stratton | |
| Циліндр | Одноциліндровий з повітряним охолодженням | |
| Номінальна потужність | 7 кВт / 3000 об/хв | |
| Об'єм двигуна | 6,8 мл/р | |
| Швидкість переміщення | 1,5 км/год | |
| Габаритні розміри (Д х Ш х В) | 2900 x 930 x 2180 мм | |
| Колісна база | 910 мм | |
| Загальна довжина колії | 1230 мм | |
| Висота кліренсу платформи | 380 мм | |
| Дорожній просвіт шасі | 132 мм | |
| Висота ходової частини | 320 мм | |
| Радіус повороту задньої частини платформи | 784 мм | |
| Ширина шасі | 896 мм | |
| Ширина колії | 180 мм | |
| Максимальна глибина копання | 1750 мм | |
| Максимальна вертикальна глибина копання | 1550 мм | |
| Максимальна висота копання | 2610 мм | |
| Максимальна висота вивантаження | 1850 мм | |
| Максимальний радіус копання на ґрунті | 3050 мм | |
| Мінімальний радіус розвороту | 1330 мм | |
| Максимальна висота підйому відвалу бульдозера | 345 мм | |
| Максимальна глибина копання бульдозерного відвалу | 255 мм | |
| Вага | 1000 кг | |
| ВАЖЛИВЕ ЗАУВАЖЕННЯ |
| Покупець зобов'язаний перевірити рівень мастила і мастила перед запуском. Якщо немає можливості перевірити товар під час отримання, на аркуші перевізника має бути зазначено, що клієнт згоден з цим, якщо тільки не буде проведена перевірка . |
Технічний паспорт
- живлення
- Дизель
- Потужність (к.с.)
- 10.0 - 10,9 К.С
- Двигун
- КООП
- Сила
- 10 К.С
- Стандартний ківш
- 120 кг
- Експлуатаційна вага
- Екскаватор
- З дахом
- Балони
- 1
- ✔️
- Багатофункціональність
- Розташування елементів керування
- Бічні джойстики
- Вага
- 880 кг
Конкретні посилання
- MPN
- GAR-10
Післяпродажне обслуговування сільськогосподарської техніки
У Intermaquinas ми дбаємо про те, щоб ваша сільськогосподарська техніка завжди працювала на 100%. Ми пропонуємо повне післяпродажне обслуговування, яке охоплює всі можливі інциденти з вашим обладнанням.
Гарантія та заводський ремонт
У разі виникнення гарантійного або заводського дефекту, ваша машина буде покрита: 1 рік для професіоналів і 2-3 роки для приватних осіб. Ми подбаємо про все: ми або перевізник заберемо техніку та відправимо її на завод для ремонту або, за необхідності, заміни.
Онлайн механіка - швидко та ефективно
Щоб вирішувати дрібні проблеми в найкоротші терміни, ми створили службу онлайн-механіків. Наші спеціалісти крок за кроком проведуть вас по телефону, щоб швидко і легко усунути поломку, уникаючи непотрібних поїздок. Intermaquinas рекомендує змащувати після кожної операції, щоб забезпечити ідеальну роботу і продовжити термін служби машин.
Ремонт у майстерні
Якщо проблема складніша або не може бути вирішена за допомогою телефонної допомоги, ми беремо все на себе. Ми заберемо вашу машину і відвеземо її до нашої майстерні, де наші спеціалізовані механіки відремонтують її, незалежно від того, чи це легка чи важка техніка. Ми знаємо, що багато сервісних центрів знаходяться далеко, а фургон не завжди доступний для транспортування. Перевезення його автомобілем може бути незручним, а також тягнути за собою ризик подряпин або бруду. Ось чому наша послуга забирання економить ваш час і клопоти, гарантуючи, що ваше обладнання прибуде в ремонт в ідеальному стані.
☎️ Завжди поруч
Наша команда фахівців завжди поруч, щоб гарантувати, що ваше обладнання завжди буде в ідеальному стані. Зв'яжіться з нами, і ми допоможемо вам знайти найшвидше та найефективніше рішення.
✔️ Переваги покупки в Іспанії
- Національна гарантія: купуючи обладнання у авторизованих дистриб'юторів по всій Іспанії, ви отримуєте 100% іспанську гарантію на свою продукцію.
- Місцеве післяпродажне обслуговування: У разі виникнення будь-яких незручностей або потреби в післяпродажному обслуговуванні, ви отримаєте більш ефективну та доступну підтримку при покупці в Іспанії.
❌ Недоліки покупки за межами Іспанії
- Складне управління гарантією: Купівля продуктів за межами Іспанії може ускладнити управління гарантією, оскільки можуть виникнути проблеми з іспанським серійним номером або затримки в процесі.
- Обмеженепісляпродажне обслуговування: післяпродажне обслуговування може бути обмеженим або менш доступним при купівлі товарів за кордоном.
- Податкова декларація: купуючи товари за межами Іспанії, покупці можуть бути зобов'язані подати додаткову податкову декларацію, наприклад, у разі купівлі всередині громади, що може передбачати додаткові податкові формальності.
Огляд
5 інші продукти
GARTO GAR-25 Міні-екскаватор KUBOTA D1105 Двигун 2480 кг
- Експлуатаційна вага: 2480 кг
- Двигун: KUBOTA D1105 (3 циліндри) : 20 к.с. : Stage V
- Місткість ковша: 0,07 м³ | Зусилля копання: 19,5 кН
- Макс. глибина копання: 2050 мм | Макс. радіус: 4130 мм
25 250,97 € З ПДВ
Міні-екскаватор Zeppelin Самохідний носоріг Rhinoceros 190 15,8 к.с
- Вага 1900 кг
- Двигун: D902 KUBOTA 11,8 кВт - 15,8 к.с
- Загальна ширина 800/950 мм
- Коливальна швидкість 12 об/хв
24 960,50 € З ПДВ
Малий міні-екскаватор Zeppelin MiniRhino 562 кг
- живлення: Бензин
- Об'єм двигуна: 360 куб.см
- Потужність : 13,5 к.с
4 596,79 € З ПДВ
Міні-екскаватор Hippopotamus 180 Kubota 1.6 T 15 к.с. двигун
- Вага : 1550 кг
- Двигун : Kubota D722 Diesel 4T
- Циліндри : 3 циліндри
15 826,95 € З ПДВ
Міні-екскаватор 0,71Т двигун Rhinoceros MY660Z Loncin
- Двигун : LONCIN 302
- Максимальний радіус копання в ґрунті : 2250 мм
- Максимальний радіус копання : 2342 мм
5 337,70 € З ПДВ
Product Reviews / Q&A
-
Reviews (0)
-
Questions & Answers (0)
-
Latest
-
Latest
